GH180应用案例 | 凝聚金拉霸网站 金拉与西门子之力,助力钢铁企业节能降耗
发布日期:
2020-06-24

近期,金拉霸网站 金拉与某龙头环保企业再次牵手,共同助力某钢铁集团炼铁厂1#2#3#烧结机烟气循环项目。该项目是继金拉霸网站 金拉成功实施河北某钢铁企业烧结机烟气循环及余热回收利用项目后的又一亮点工程。


烧结烟气内循环技术是利用部分烧结大烟道烟气,经除尘等处理后,烟气返回至烧结机料面,循环使用。项目改造后的烟气循环量可达到原烧结烟气量的30%,烧结烟气后续脱硫脱硝处理量和处理费用大大降低。本项目建成后,每年每吨烧结矿可节约标准煤约2-3千克,降低烧结烟气脱硫脱硝处理运行费约25%-30%

GH180应用案例 | 凝聚金拉霸网站 金拉与西门子之力,助力钢铁企业节能降耗

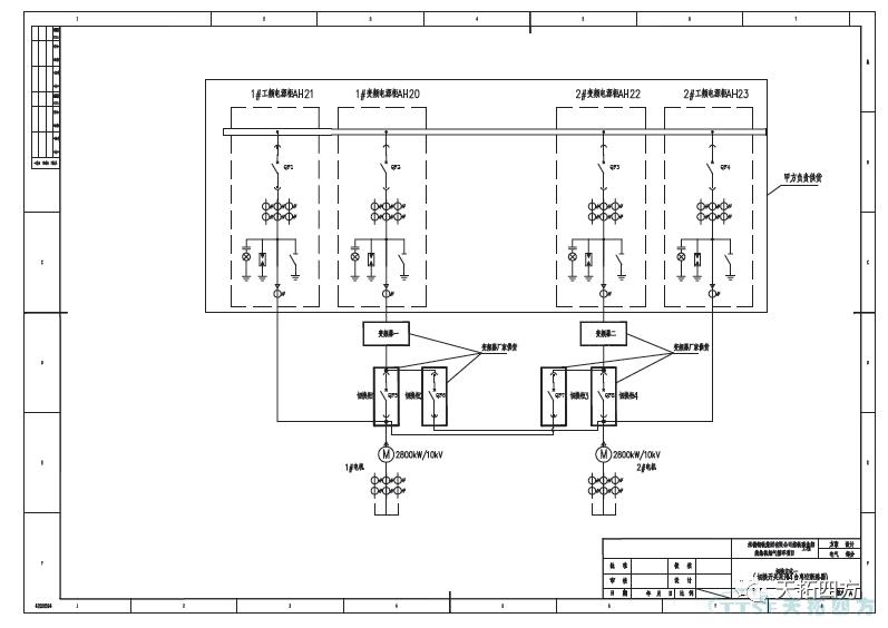
结合客户的实际情况,金拉霸网站 金拉为该项目配套6套西门子GH180完美无谐波中压变频设备,每台机组采用二拖二方案,充分考虑了电气系统无忧切换的可靠性和使用率,配置两路进线,变频互为备用,系统无忧切换。采用12面自动旁路柜实现本系统的二拖二配置方案,每组4台旁路柜,共3组,对应1#2#3#烧结机组;6组中压变频配套空水冷系统,以及若干备件。详见下图:

GH180应用案例 | 凝聚金拉霸网站 金拉与西门子之力,助力钢铁企业节能降耗

 SINAMICS完美无谐波GH180变频器作为一款经典的中压级联拓扑结构变频装置,应用广泛,市场认可度较高。现在已成功应用在电力、石油、化工、采矿、冶金、市政等各种工业行业,帮助用户显著提高生产率、增强能源利用率和降低运行成本。其高可靠性、高精度、长使用寿命的变频应用之首选。
如需分析更多行业解决方案,可拨打金拉霸网站 金拉客户热线400-696-5700,欢迎咨询!


声明:部分内容来源于网络,如侵权请后台留言联系删除。